В автомобильном двигателе существует необходимость привода во вращение шкивов вспомогательных агрегатов. Обычно это генератор, насос гидроусилителя руля, компрессор кондиционера. Существуют и иные агрегаты, иногда их достаточно много, что может создать проблему в организации передачи момента. Решается она применением гибких ременных передач при помощи клиновых ремней.


Различаются изделия с одним клином или несколькими, в последнем случае ремень называют поликлиновым или ручейковым.
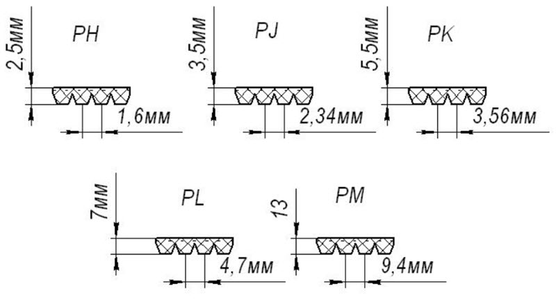
Маркировки ручейковых ремней
Номенклатура ремней определяется их геометрическими параметрами, основное – это длина окружности и количество клиньев (ручейков на шкивах).
По шагу в поперечном направлении изготовители довольно быстро достигли унификации, поэтому в маркировке принято указывать только длину и число рёбер, иногда особенности профиля клиньев.


Тип профиля
Подавляющее количество ремней в легковых автомобилях имеют общую толщину плоского поликлина 5,5 мм, что кодируется буквами PK. Шаг при этом составляет 3,56 мм.


Возможны и менее распространённые параметры профиля, но это скорее исключение или иное назначение. Но сам клин практически всегда трапециевидный с треугольной впадиной.
Сечение выбирается таким образом, чтобы каждый ручей работал строго боковыми сторонами трапеции, так обеспечивается наилучшее сцепление со шкивом.
Количество ручьёв может быть 3 и более. Чем выше этот показатель, тем большую мощность можно передать без проскальзывания. Типичные случаи: 3, 4, 5 и 6.
После указания количества рёбер и типа профиля указывается общая длина в миллиметрах. Допустимо небольшое отклонение порядка 5 мм, выбираемое натяжителем.
Дата изготовления и материал
Старение материала ремня вызывает необходимость указывать на нём дату производства. Не все производители соблюдают это правило, ограничиваясь заполнением упаковки, к чему требования строже.
Но иногда дата указана в виде дня, месяца и года выпуска в виде восьмизначного числа. Или более коротко, неделя и две последние цифры года. Единого стандарта не существует.
Зато производители гораздо охотнее приводят кодированные сведения о своих уникальных технологиях производства.
Указывается материал гибкой основы и корда, например, EPDM — этиленпропилен-диеновый полимер. Прочие аббревиатуры обычно отсылают к фирменным информационным материалам, которые обновляются с каждым появлением новых серий ремней.


Существуют эластичные ремни, которые не требуют натяжителя. Они устанавливаются на точно подобранные шкивы и при небольшом растяжении обеспечивают требуемый натяг на весь срок эксплуатации.
Данная тенденция прогрессирует и захватывает многих производителей автомобилей. Применение обычного ремня с жёстким кордом здесь недопустимо. Обозначается эластичный ремень буквами E или EE.
- EPDM — Этиленпропилен-диеновый полимер.
- SBR — Стирол-бутадиен каучук.
- CR — Хлоропрен.
- HNBR — Гидрированный бутадиенакрилонитрильный полимер.
Материал и геометрия плоского ремня позволяет достаточно легко организовать его работу в сложных системах шкивов, где предусмотрен обратный выгиб.
В этом случае изделие будет работать внешней поверхностью, не на передачу мощности, а на обеспечение необходимых углов охвата. Но такую способность надо дополнительно уточнять в материалах производителей.
Маркировка клиновых ремней
У этих изделий имеется единственный трапециевидный клин, поэтому маркировка упрощается.


Расшифровка ГОСТ
По ГОСТу указывается тип профиля одной буквой (или цифрой «0») и длина в миллиметрах. Типовые профили для легковых автомобилей «0» и «А». Это ширина 10 или 13 мм по широкой стороне трапеции. Сейчас почти не используется.


Международные нормативы ISO
Гораздо чаще ремни, в том числе и для отечественных автомобилей, стандартизируются по ISO. Это простое обозначение, если не касаться всего спектра клиновых ремней, а только в автомобильном применении.
Маркировка имеет вид, например, AVX10-750 и расшифровывается очень просто.
- AVX – это типичный профиль, определяющий соотношение ширины и высоты трапеции в сечении.
- 10 – базовый размер ширины, дальше длина в миллиметрах.
Соблюдение типоразмера при замене обеспечит правильное положение ремня на шкиве, он должен работать боковыми сторонами клина и не касаться его дна, иначе начнутся пробуксовки и шум.


Стандарт RMA
RMA – американский стандарт с применением дюймовой размерности. Состоит из цифры и буквы V, что вместе означает ширину в десятых долях дюйма.
Далее следует длина, она также приведена в десятых дюйма. Если имеется буква X, то это означает наличие крупного зуба у основания ремня, который делается для большей гибкости и долговечности, но зуб также не должен касаться дна шкива.


Немецкий стандарт DIN
По этой системе всё сделано с немецкой простотой и точностью. Всего два числа, максимальная ширина трапеции профиля и длина окружности по нижней её грани, всё в миллиметрах. Иногда делается ссылка в скобках на соответственный профиль по ISO.
Приводной ремень вспомогательных агрегатов относится к настолько широко унифицированным деталям, что его можно подбирать, не пользуясь каталогом деталей автомобиля в большинстве случаев.
Достаточно знать типоразмер по ширине трапеции, которых совсем немного, и длину, её можно измерить по положению шкивов, а также используя изношенный или порвавшийся ремень.
Далее применяется поиск по каталогам, куда вполне достаточно вбить что-то вроде 6PK1250 для поликлина или AVX13х625 для клинового, разумеется с конкретными числовыми значениями. Практически всегда удастся подобрать нужное изделие с приемлемыми сроками и ценой.
Если даже воспользоваться каталожным номером детали, то будут предложены замены уже с обозначениями по ISO ли DIN. Это позволит значительно расширить поиск подходящего аналога, выбрав одну из известных компаний по качеству и наличию в быстром доступе.